结果公示

当前位置: 首页 >> 公示内容 >> 结果公示 >> 正文
结果公示

校园广播系统改造项目成交结果公告

时间:2023-07-28 浏览:

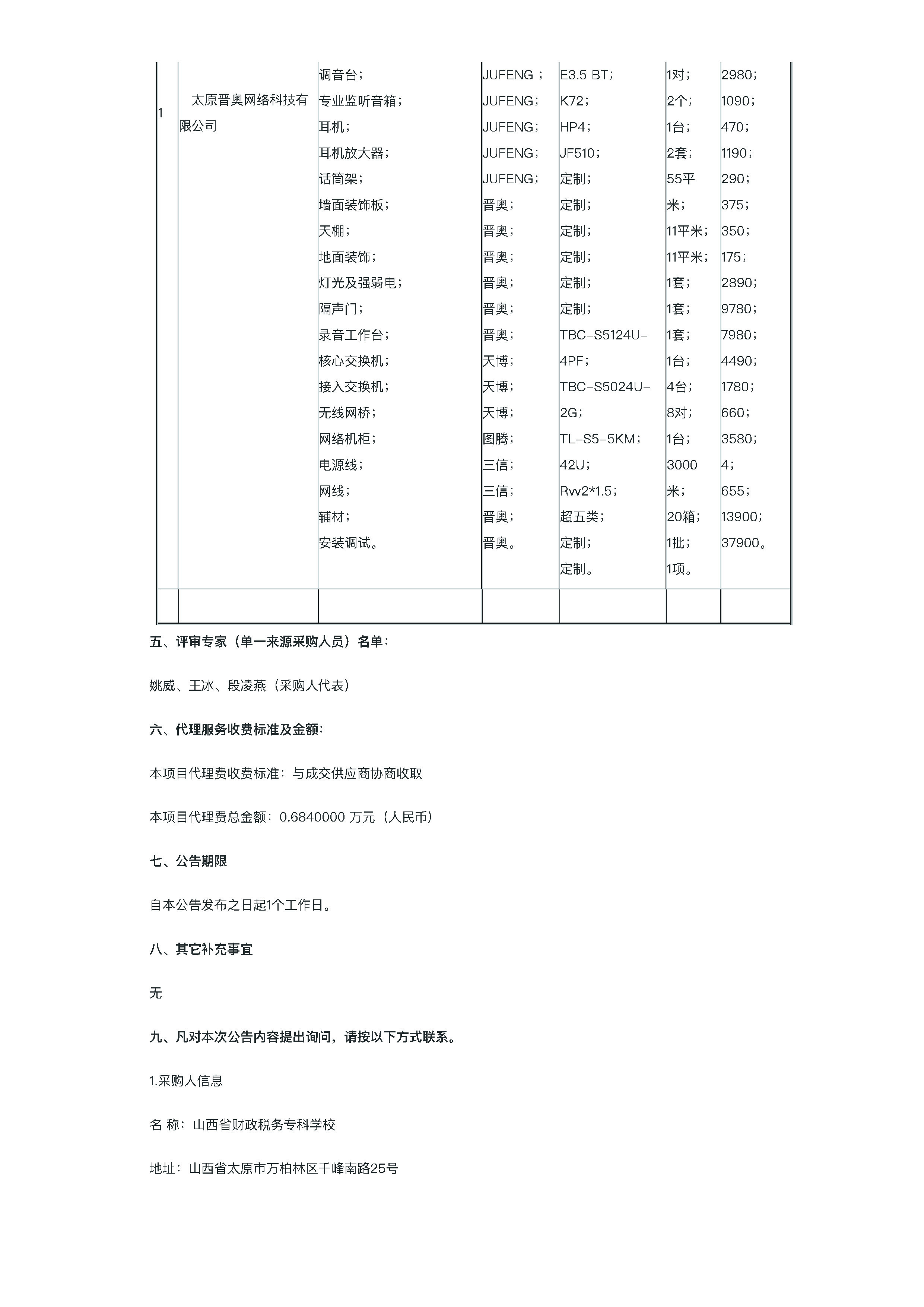
 2023年7月28日,山西恒运招标代理有限公司受bat365委托,对bat365“校园广播系统改造”项目进行招标采购,并于2023年7月28日组织开标、评标。山西省政府采购网关于本项目成交结果公示如下:


 




                                    2023年7月28日